Vi kan dele inn denne varegruppen i kulelager, rullelager, delte lagerhus, lagerenheter, trøstelager, nålelager og glidelager.
Felles for alle disse gruppene er at de finnes i veldig mange kvaliteter, toleranser, varianter og beskrivelser. Det kan ofte være vanskelig å orientere seg blant all informasjonen, så her skal vi gi et grunnlag for å komme raskere til riktig konklusjon.
Det lønner seg nesten alltid å velge topp kvalitet. Når verdens ledende produsent på 90-tallet kom med en ny type sfæriske rullelagre så varte de 6 ganger lengre enn de de hadde solgt til da. På 2000-tallet kom enda en forbedring som gjorde at de allerede markedsledende lagrene varte dobbelt så lenge. Så at en produsent i løpet av 20 år klarte å øke levetiden på sine lagre med 12 ganger forteller mye om at kvalitetsforskjellene er enorme.
Det som kan være greit å vite er at hvis lagerets varenummer begynner med en tallkombinasjon, så viser det til dimensjonen på lageret. Da er nesten uten unntak innerdiameter, ytterdiameter og bredde/høyde gitt.
De aller fleste produsenter bruker lik innledende tallkombinasjon. Bokstaver før tallkombinasjonen (prefix) og tall etter tallkombinasjonene (suffix) vil derimot variere fra produsent til produsent. Det er derimot noe som går igjen; slik som suffixene «2» for antall tetninger og «K» for konisk inner-ring beregnet for bruk med klemhylse.
Noen ganger trenger man lagre som egner seg for spesielle formål, og det lages mange varianter her. For matproduksjon er det behov for rustfrie lagre i kompositt hus med næringsmiddelgodkjent fett, for disse blir ofte utsatt for mye vasking med ofte tærende vaskemidler. Viktig å nevne det ved forespørsler!
Kulelagre
Kulelagre kommer i flere utgaver.
Sporkulelagre
Et eksempel her kan være W6205-2RSH/C3. Da kan du ta de to siste tallene i den begynnende tallkombinasjonen (05) og gange med 5, så får du innerdiameteren i disse lagrene; 25mm. Grei å vite.
W før den begynnende tallkombinasjonen betyr som oftest at lageret er rustfritt. Det er ikke mulig å lage et lager i syrefast stål som varer lenge, siden de stålkvalitetene ikke lar seg herde noe særlig.
6205 viser alle yttermål (25 x 52 x 15mm er innderdiameter x ytterdiameter x bredde).
2RS betyr at lageret har gummi tetningsringer på begge sider.
C3 betyr at lageret har noe mer indre glapp (avstand mellom komponentene). Dette er ønskelig om en kan anta at akselen og huset utsettes for ulik temperatur og dermed utvider seg ulikt. Et C3 lager takler en slik utvidelse bedre, og vil vare lengre. C4 er enda mer romslig osv.
Spesialkomponenter
Eksempelvis er keramiske kuler (leder ikke strøm) en problemløser, og i visse elektromotorer der det går en lekkasjestrøm mellom stator og kollektor vil keramiske kuler hindre alt for tidlig lagerhavari.

Vinkelkontakt kulelager
Sporkulelager opptar radielle krefter, men svært lite aksielle, så om det er mye aksielle krefter så må vi velge vinkelkontaktlager (eller koniske rullelager). Det er sjeldent at tetninger innebygd i slike.
Selvopprettende kulelager
Hvis akselen bøyer seg må man montere selvopprettende kulelager (eller sfærisk rullelager). Dette lageret lar innerringen ha en noe annen vinkel enn ytterringen.
Også her er det sjeldent at tetninger innebygd i slike
Rullelager
Et rullelager bærer høyere last enn et kulelager, og brukes derfor mye der det er store belastninger.
Avhengig av utformingen av rulleholder kan lageret også være egnet for fett med svært høy filmstyrke (høye bæretall). Her kommer noen eksempler på vanlige utgaver.
Sylindriske rullelagre
Ved valg av rullelager er det ofte den typen der rullekransen henger fast i ytterringen og innerringen kan tres inn fra en side som er brukt. Den betegnes ofte som NJ før den begynnende tallkombinasjonen:

Koniske rullelagre
Enkle koniske rullelager er mye brukt på tilhengere og som forhjulslagre på bakhjulsdrevne biler, men også høypresisjons parede versjoner blir benyttet i dreiebenker og metallbearbeidingsmaskiner. Doble koniske rullelagerenheter brukes mye til mer moderne hjullager, og da gjerne som en enhet (hub) som boltes fast.
Toroidale rullelagre
Er det utfordinger med både at vinkelen på akselen avviker fra huset, samt at akselen utvider seg i en annen takt enn huset, ja da er torodiale lagre løsningen. En typisk betegnelse er C 4010, og er det en «K» i etterbenevnelsen (suffix) så skal det monteres med klemhylse.

Toroidale rullelagre
Er det utfordinger med både at vinkelen på akselen avviker fra huset, samt at akselen utvider seg i en annen takt enn huset, ja da er torodiale lagre løsningen.
En typisk betegnelse er C 4010, og er det en «K» i etterbenevnelsen (suffix) så skal det monteres med klemhylse.

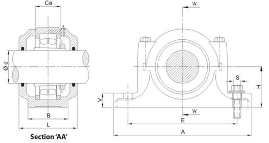
Delte lagerhus
På tyngre installasjoner og der service ellers kan være tidkrevende er delte lagerhus mye brukt.

Det finnes også delte lagre som kan være en nytting å vite om.
Sfæriske rullelagre
Kombinasjonen med selvjustering ved avvikende senteraksel mellom hus og aksel kombinert med at lageret tåler svært høye belastninger gjør sfæriske rullelager til det selvsagte valget innen tung industri.
Som regel benyttes lagre med konisk (K) innerring og klemhylse i enten et delbart flenslagerhus eller fotlagerhus. Disse lagerhusene kommer både for gjennomgående aksler og at huset er tett i enden.
Typisk delbare fotlager, for 50mm aksel:

Huset kan ha ulike benevnelser for det samme:
SNL511-609, SE511-609, SNE511-609, SNU511, SNC511
Lager: 22211EK, 22211K (eller annen bredde som 1211K, 2211K, 23211K, C2211K eller C3211K)
Distansering: FRB9.5/100 eller LR100x9.5
Tetninger, gummi med to lepper: TSN511G, TSNG511 eller V-ring:TSN511A, U511 (eller filt, labyrint osv)
Klemhylse: H311
Endelokk: ASNH511-609 eller 511UA
Typisk delbare flenslager 4-hulls innfestning, for 70mm aksel:

Hus: 722516A, FNL516A, FC516A. (722516B eller FNL516B er for gjennomgående aksel)
Lager: 22216EK, 22216K
Klemhylse: H316
Typisk delbare flenslagerhus 3-hulls innfestning, for 60mm aksel:

Hus: 722513DA, FNL513A. (722513DB eller FNL513B er for gjennomgående aksel)
Lager: 2213K
Klemhylse: H313
Fotlager
Fotlagre (plummer block bearings på engelsk) kommer i mange varianter. De benevnes oftest på den «Japanske» måten: UCP (hvor P ganske riktig står for Plummer)
Løse lagre heter UC. Etter UCP kommer serien (2 eller 3). Så følger innerdiameteren (10 for 50mm)
Så et standard fotlager for 50mm aksel, med 2 settskruer heter UCP210. Komponentoversikt UCP 210: Huset heter P210. Løst innsatslager heter UC210.

Noen kaller seriene med fotlagre, flenslagre og take-up units for Y-lagre. Hos disse vil UCP210 hete SY50TF.
Komponentoversikt SY 50 TF: Huset heter SY 510. Løst innsatslager heter YAR 210. Det er ofte mulig å bytte litt mellom UC og SY serien. Når en bytter lagre i disse enhetene så er det en utsparing i huset som man kan tre ut/inn innsatslageret ved kraftig å dreie det 90° radielt, og så trekke det ut.
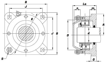
Flenslagre
Følger mye oppskriften under «Fotlager».
I tillegg til standard serien 2, har også disse den sterkere utgaven 3. I tillegg kommer også forsterkede utgaver, men de kan som regel ikke festes i samme bolthull da huset oftest er større.
Typiske flenslagre for 60mm aksel
Firkanta, 4-hulls (UCF212): Runde, 4-hulls (UCFC212): Ovale, 2-hulls (UCFL212):
Som Y-lager: FY 60 TF FYC 60 TF FYT 60 TF

Spesielle flenslagre finnes også. Her er en type som har en styrekant i bakkant, for 90mm aksel:
Firkanta, 4-hulls (UCFS318):

Landbruk
Flenslagre finnes også, oftest innen landbruk, i en form at to plater skrus sammen og klemmer fast innsatslageret. Eksempler på dette er:
PF 40 TF PFD 40 TF PFT 40 TF (PFL 208)

Variasjonen er enorm:

Strammelagre
Take-up units på Engelsk, følger også mye av oppskriften under «Fotlager».
Typisk strammelager for 55mm aksel (UCT211). Som Y-lager vil det hete TU 55 TF:

Trøstelager
Når det utelukkende er aksial belastning, er trøstelagre løsningen.
Enten med kuler - typisk 51210 med ruller – typisk 81210

eller sfæriske / koniske – typisk 29412

Nålelager
Et nålelager er å foretrekke om det er liten plass mellom aksel og hus, og belastning og turtall ikke er veldig høyt. En typisk applikasjon er der inngående aksel på en girkasse går inn i et svinghjul på en bil. Det som vanligvis blir brukt er HK-serien.
HK1010 har eksempelvis innerdiameter 10mm, ytterdiameter 14 og bredde 10mm.

Gelenklager Stangende lager
Typisk GE 20: Typisk PHS 10:

Glidelager
Disse finnes også i et stort utvalg. Standard glidelager, selvsmørende, oljebronse, kompositt, cutless og flersjikts lagre og foringer.

Teknisk Salg AS finner den beste løsningen for deg!
